Auf dieser Website werden Daten wie z.B. Cookies gespeichert, um wichtige Funktionen der Website, einschließlich Analysen, Marketingfunktionen und Personalisierung zu ermöglichen. Sie können Ihre Einstellungen jederzeit ändern oder die Standardeinstellungen akzeptieren.
Cookie Hinweise
Datenschutzregelung

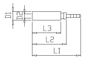
BE Schlaucharmatur mit Rohrstutzen DN2 / DN4

BE Armatur BE Armatur BE Armatur
Product Mini Image
Product Mini Image
Product Mini Image
Eigenschaften
Bauart Schlaucharmatur mit Rohrstutzen Temp. min. -20° C
Norm DIN 2353 Temp. max. 100° C
        Werkstoff Stahl

 

Hinweis

Suffix '-Lose' = Loser Armaturensatz, inklusive Pressfassung, nicht eingebunden.

Suffix '-oH' = Loser Armaturensatz, ohne Pressfassung, nicht eingebunden.

Optimale Pressergebnisse mit komplettem vdH-Armaturensatz.

 

BE 06-Lose und BE 08-Lose sind auch in 1.4571 (Edelstahl) erhältlich. Bestellbeispiel: BE 06-4571-Lose.

BE 06-Lose und BE4 06-Lose sind auch in 45° / 90° gebogen erhältlich. Bestellbeispiel: BE 0690-Lose.

Andere Biegewinkel problemlos möglich, auf Anfrage.

Produktvarianten
Bezeichnung DN Rohr (mm) L1 (mm) L2 (mm) L3 (mm) PN (bar (L/S))
BE 04-Lose DN2 4 34 24 18 100
BE 06-Lose DN2 6 34 24 20 250/400
BE 08-Lose DN2 8 36 26 20 250/400
BE4 06-Lose DN4 6 45 29 23 250/400
BE4 08-Lose DN4 8 41 25 20 250/400